Practical Process Control Part 15: Feedforward Control - Part 1

Article by Myke King CEng FIChemE

In the first of a two-parter on feedforward control, Myke King explains the basics

THE PID (proportional integral derivative) controller is a feedback controller in that it can only take corrective action once the process variable (PV) deviates from the setpoint (SP). Figure 1 illustrates a controller installed to keep the temperature constant. Stream A is a hot liquid, stream B a cold one. We have no control over the flow of hot liquid; any change will cause the combined temperature to deviate from target. The controller will, in time, bring it back to setpoint.

Figure 1: Feedback control

Ratio feedforward

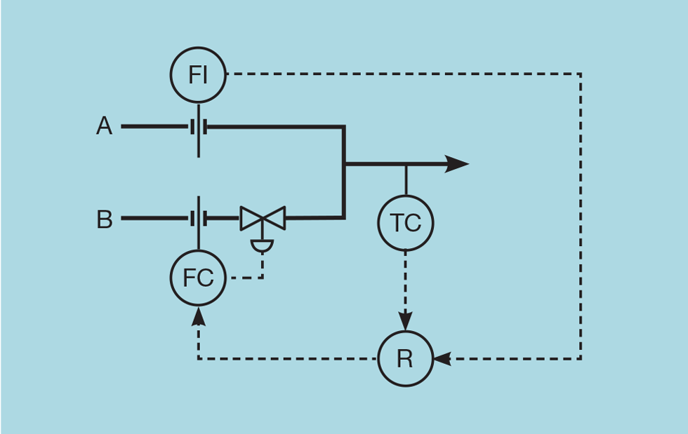
Feedforward control monitors variables that are known to disturb the process and will take action when these change. These are known as disturbance variables (DV). Figure 2 shows how this is implemented on our mixing example. The DV is the flow of stream A (Fa). The feedforward action is provided by a ratio algorithm. This is available in the DCS (distributed control system), either standalone or as an optional add-in to the PID algorithm. It is basically a multiplier. In this case it multiplies Fa by the operator-entered target ratio (Fb/Fa) to generate the setpoint of the cold liquid flow controller (Fb). As a result, the cold liquid flow is kept in proportion to the hot liquid and, in theory, the temperature will not change.

Figure 2: Feedforward control

But the ratio algorithm is more than just a simple multiplication. As Table 1 shows, when in manual mode, the ratio target is kept equal to the current ratio. When switched to automatic mode, the ratio target is fixed at the current ratio and becomes available for the process operator to change as required. This tracking of the current ratio results in what is known as bumpless initialisation. There is no need for the operator to choose the target before switching the algorithm to automatic and the process is not disturbed.

Table 1: Behaviour of ratio and bias algorithms

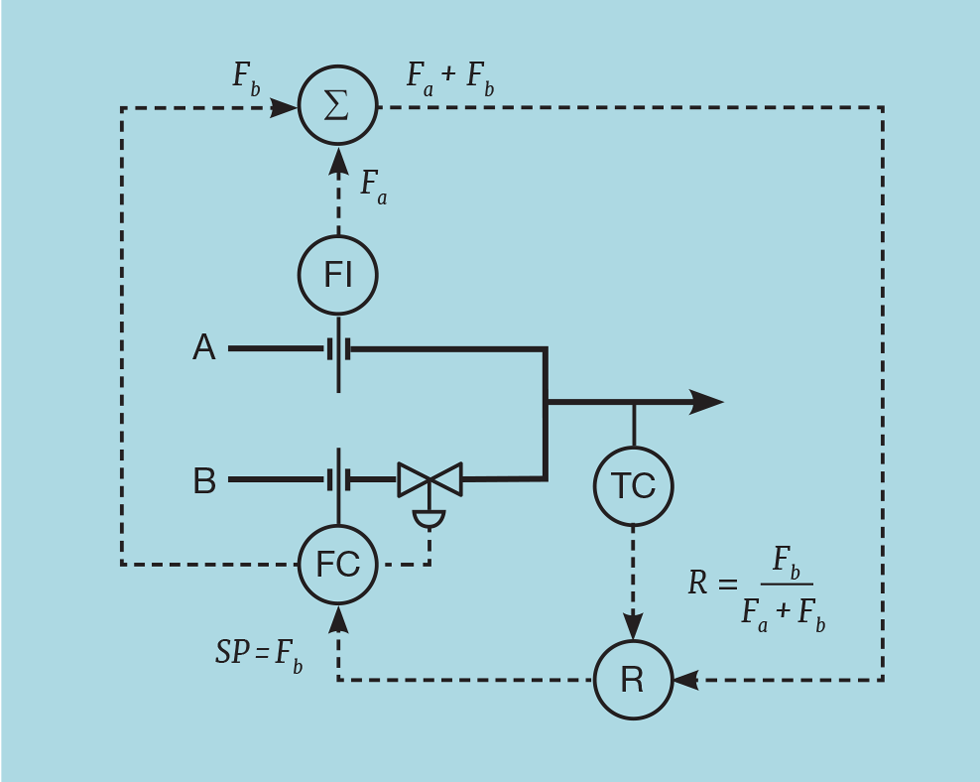
A commonly used, but less preferred, method of providing ratio control is shown in Figure 3. Here the ratio is calculated from the flow measurements and becomes the PV of a PID controller that has the ratio target as its setpoint. If we assume that Fb is proportional (with constant of proportionality k) to the valve position set by the PID controller output (M), then:

This shows that process gain (Kp) varies with flow rate. If the flow varies by more than ±20%, then so will the process gain – necessitating the controller gain (Kc) to be adjusted.

Figure 3: Less preferred ratio control

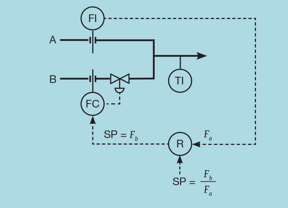
Feedforward control is unlikely to be perfect. There will be small inaccuracies in the flow meters and so the temperature will deviate from target. Further, the combined temperature will change if the temperature of either stream changes. And the scheme is not operator-friendly; it is not immediately obvious what the ratio target should be to achieve any desired temperature. Feedforward is therefore not a substitute for feedback control; it should be implemented as an enhancement. This is illustrated in Figure 4. The ratio target is now manipulated by a feedback controller. This will correct any deviation in temperature, arising from any limitation of the feedforward control, and also provides the operator with a temperature setpoint.

Figure 4: Feedforward-feedback control

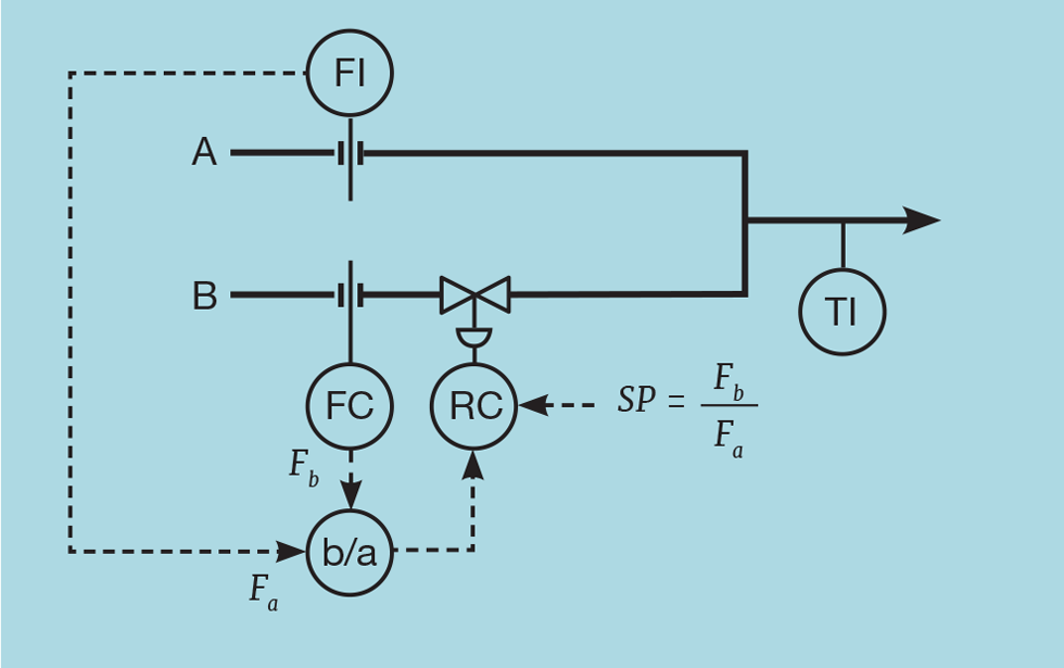
Although the simplest implementation of feedforward-feedback control, it is not the preferred solution. If Ta and Tb are the stream temperatures and T the combined temperature, we can write a simple energy balance. Assuming the specific heats of the two liquids are identical, then:

If R is Fb/Fa, then:

Differentiating:

This shows that the process gain is not constant, but varies with R. If, on average, R is 1 then variation outside the range 0.83 to 1.23 will cause Kp to change more than the acceptable ±20%. Figure 5 shows the scheme modified to resolve this issue. The ratio has been redefined as:

And so:

Figure 5: Improved feedforward-feedback control

Bias feedforward

The ratio algorithm can be described here as a decoupler. We have two schemes, feedback and feedforward, that can both change the cold liquid flow. So they do not compete, we multiply their outputs together. An alternative decoupler is the bias algorithm – also available in the DCS. Its behaviour is included in Table 1. Figure 6 shows an example of its use. The heater burns two fuels, of which fuel A might be a waste gas stream. Its flow is variable but always insufficient. Makeup fuel gas is required to achieve the required heater outlet temperature. The pure feedback approach would cascade the temperature control to a flow controller on fuel B. It would, however, respond relatively slowly to any change in the waste gas flow. To understand how the feedforward-feedback scheme works, think of the output of the temperature controller as the total fuel required. The bias algorithm is set up to subtract from this, the fuel provided by the waste gas. Should this flow change, the feedforward scheme immediately makes an equal and opposite change to the makeup gas – theoretically keeping the temperature constant. Should the temperature not be perfectly controlled, or the process operator changes its setpoint, the feedback controller will adjust the bias target. Since we want the bias to subtract, rather than add, we multiply the waste gas flow by -1. We have assumed the fuels have the same heating value. If that is not the case, we would multiply by the negative ratio of the net heating values (-NHVa/NHVb). This converts the energy provided by fuel A into units of fuel B.

Figure 6: Example of bias feedforward

Figure 7 shows an alternative configuration in which the two flows are summed to provide the measurement of a total flow controller. If the fuels have different heating values, the PV of this controller is given by:

Its performance would be identical to the previous scheme. The choice would be driven by what would be considered more understandable by the process operator.

Figure 7: Alternative dual firing scheme

Process dynamics

In both our examples, corrective action is taken immediately the change in the disturbance variable is detected. In both cases this would seem reasonable. For example, it seems sensible that we change the cold liquid flow at the same time as the hot liquid flow. This is because the dynamic response of the temperature to the cold liquid flow is likely to be the same as that to the hot liquid flow. To illustrate this, Figure 8 shows a modification made to the process. A drum has been installed on the hot liquid stream. Its purpose is to provide surge capacity which, together with an averaging level controller, smooths out variation in the flow to the mixer.

Figure 8: Need for dynamic compensation

Consider an increase in the flow of stream A. The ratio feedforward scheme will make an immediate increase in stream B. But the additional stream A is largely accumulated in the drum rather than reaching the mixer. The increase in stream B will therefore cause the temperature to drop. The feedback controller will respond by reducing the ratio target, so reducing the flow of stream B and returning the temperature to setpoint. As this is happening, the drum level controller will slowly release more hot liquid to the mixer, causing an increase in temperature – requiring more correction by the feedback controller. The use of feedforward has worsened the disturbance. The problem is one of timing. The scheme increased the flow of stream B by the right amount; it just did it too soon. We need to apply dynamic compensation.

Next issue

Our next article will apply feedforward control to a fired heater. We’ll show how dynamic compensation works and how it is designed. We’ll also describe some of the less obvious benefits of the scheme.


The topics featured in this series are covered in greater detail in Myke King's book, Process Control – A Practical Approach, published by Wiley in 2016.


This is the fifteenth in a series that provides practical process control advice on how to bolster your processes. To read more, visit the series hub at https://www.thechemicalengineer.com/tags/practical-process-control/


Disclaimer: This article is provided for guidance alone. Expert engineering advice should be sought before application.

Article by Myke King CEng FIChemE

Director of Whitehouse Consulting, an independent advisor covering all aspects of process control

Recent Editions

Catch up on the latest news, views and jobs from The Chemical Engineer. Below are the four latest issues. View a wider selection of the archive from within the Magazine section of this site.